Методологические подходы к дипломному проектированию - page 6

С.Г. Васильев
6
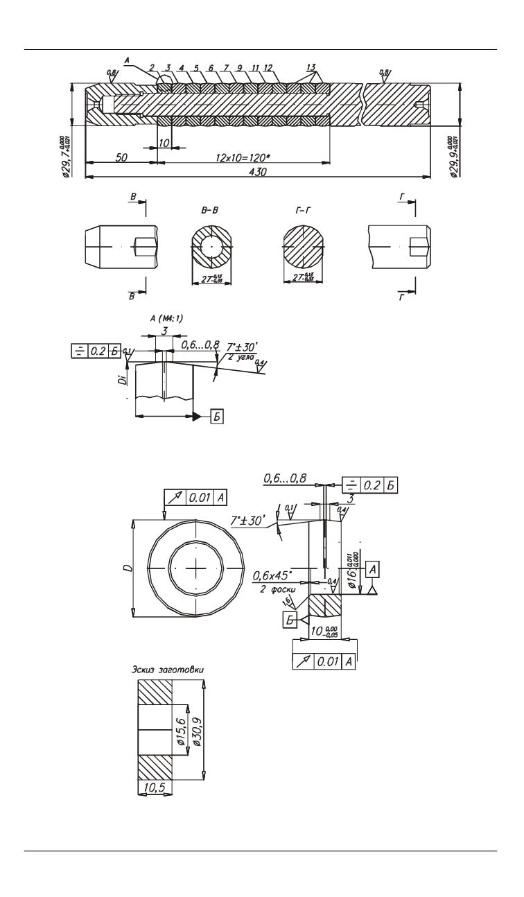
Рис. 1.
Рабочий чертеж сборной твердосплавной прошивки
Рис. 2.
Рабочее кольцо твердосплавной прошивки и эскиз заготовки
1,2,3,4,5 7,8,9,10
Powered by FlippingBook